欢迎光临北京市J9国际运营 电子科技有限公司官网!
15年专注防雷 过压 过流保护电路保护元器件定制生产厂家
全国咨询热线:0755-85251858
联系我们
北京市J9国际运营 电子科技有限公司
全国免费服务热线:0755-85251858
手机:19168965535
邮箱:203741605@qq.com
地址 :北京市宝安区西乡街道固兴社区腾联路6号厂房三楼
地址 :香港九龙旺角弥敦道610号荷李活商业中心1318-19室(香港)
联系人:刘小姐
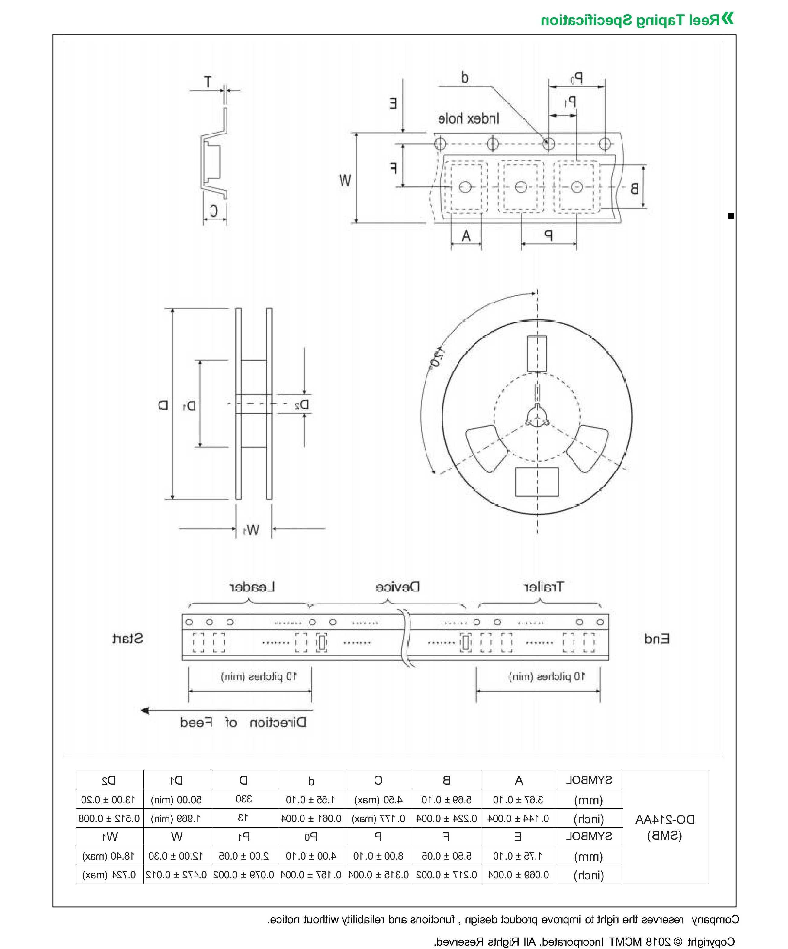
TSS半导体放电管

SMBJ5.0A(CA) Thru. SMBJ440A(CA)半导体放电管

SMBJ5.0A(CA) Thru. SMBJ440A(CA)






标签:
在线客服
联系方式

热线电话

19168965535

上班时间

周一到周五

公司电话

0755-85251858

二维码
线